中高壓開關柜狀態綜合測控保護裝置
中高壓開關柜狀態綜合測控保護裝置詳細資料由專業的低壓開關柜、低壓配電柜、低壓配電箱報價廠家為您提供。
1.概觀

中高壓開關柜狀態綜合測控保護裝置用于3 ~ 35kV室內開關柜狀態,適用于中央柜、手車柜、固定柜、環網柜等各類柜。開關柜。它具有主回路仿真圖和開關狀態指示、高壓現場顯示、自動溫濕度控制、人體感應自動照明、語音提示、電氣參數測量和RS485通訊接口等功能。它集操作和顯示于一體。ASD系列開關柜綜合測控裝置具有主回路仿真圖和開關狀態指示、高壓現場顯示、自動溫濕度控制、人體感應自動照明、語音提示、電氣參數測量和RS485通訊接口等功能。它集操作和顯示于一體,直觀地反映機柜內組件的工作狀態和工作環境。

2.型號描述

單擊添加圖片描述(較多60個單詞)編輯3。技術指標

4.功能配置

單擊添加圖片描述(較多60字)以編輯5、形狀和大小(單位:毫米)
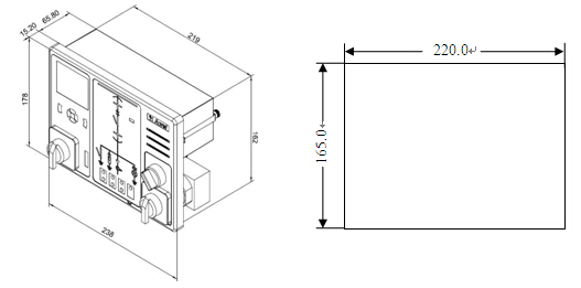
5.1 ASD200、ASD300、ASD320開關柜中和測控裝置

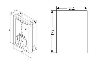
單擊添加圖片描述(較多60字)編輯5.2 ASD100開關柜集成測量和控制設備

單擊添加圖片描述(較多60字)編輯6,終端

點擊添加圖片說明(較多60字)編輯注意:圖中所示接線端子和編號適用于ASD全線產品。由于特定訂單型號或可選功能,某些終端可能不會出現在產品上。
ASD系列開關柜綜合測控裝置具有主回路仿真圖和開關狀態指示、高壓現場顯示、自動溫濕度控制、人體感應自動照明、語音提示、電氣參數測量和RS485通訊接口等功能。,集操作和顯示于一體,直觀地反映機柜內組件的工作狀態和工作環境
更多選型規格報價定制等問題可及時聯系廠家,以上就是中高壓開關柜狀態綜合測控保護裝置全部內容。
- 上一篇:高電壓開關柜故障排除策略
- 下一篇:高電壓開關柜維護要求和注意事項
