家用配電箱的安裝方法和配電箱的電路圖
家用配電箱的安裝方法和配電箱的電路圖詳細資料由專業的低壓開關柜、低壓配電柜、低壓配電箱報價廠家為您提供。
水電工程是裝修的重點,水電安裝對未來生活有著非常重要的影響。配電箱是家庭電路的主控制開關,安裝配電箱與家庭電路的日常控制有關。在這里我們需要特別注意裝飾過程。以下小系列將帶您了解home 配電箱的安裝方法和配電箱的路線圖。

配電箱應滿足以下要求:
1、配電箱屬于外殼和塑料外殼兩種,有開啟和隱藏兩種,盒子必須完好無損。
2.箱內接線母線應分別設有零線、保護接地線和相線,并應完好絕緣。
3.空氣開關的安裝支架應光滑無阻礙,并有足夠的空間。
4.配電箱門板應有檢查透明窗。

主頁配電箱安裝方法:
1.當明裝配電箱,配電箱安裝在墻上時,應使用開口螺栓(膨脹螺栓)固定。螺栓長度一般為預埋深度(75 ~ 150毫米)、箱底板厚度、螺母和墊圈厚度加上約5毫米的“頭部余量”之和。對于較小的配電箱,也可在安裝處預埋木塊(根據安裝孔在配電板四角的位置配電箱),然后用木螺釘配電箱或配電板固定在木塊上。
2、暗裝配電箱,配電箱預埋在墻內安裝,砌墻時預留孔洞的長度和寬度應比配電箱大20mm左右,預留深度為配電箱厚度加上孔洞墻面抹灰的厚度。當砌體配電箱時,可通過在箱體和墻體之間填充混凝土來固定箱體。

3、配電箱應安裝牢固,橫平豎直,垂直偏差不應大于3mm;暗裝時,配電箱四周不應有縫隙,面板四周邊緣應靠近墻面,箱體與建筑物、構筑物的接觸部位應涂防腐漆。
4、配電箱螺旋熔斷器安裝在內部,電源線應連接到中間觸點的端子上,負載線應連接到螺紋端子上。這樣,當熔化的堆芯被裝載和卸載時,不會發生電擊。瓷塞保險絲應垂直安裝。
5.配電箱交流、DC或不同電壓等級的電源應有明顯標志。照明配電箱,應分別設置零線(N線)和保護零線(PE線)母線。零線和保護零線應連接在母線上,不得拼接,并應編號。
6、引出面板時,面板線孔應光滑無毛刺,金屬面板應安裝絕緣保護罩。金屬外殼配電箱外殼必須可靠接地(零)。
配電箱的安裝點是:
1、應安裝在干燥、通風的地方,且無阻礙,使用方便。
2.配電箱不應安裝得太高。安裝標高一般為1.8m,便于操作。
3、進配電箱電管道必須用鎖緊螺母固定。
4、如果配電箱需要開孔,孔的邊緣必須光滑光潔。

5.配電箱嵌入墻體時,應垂直水平,邊緣留有6mm的縫隙。
6.配電箱接線應整齊有序,端子螺絲必須擰緊。
7、每圈進線必須有足夠的長度,不得有接頭。
8.安裝后,請注明每個電路的使用名稱。
9、安裝完成后必須清理配電箱內的殘渣。
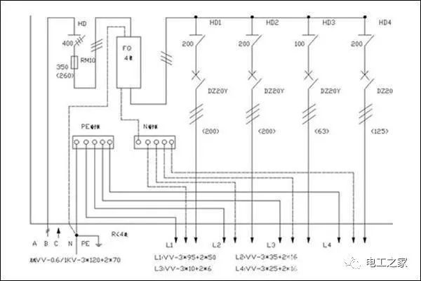
安裝時,Home 配電箱接線圖也很重要。小編輯專門為每個人準備了幾個非常詳細的接線圖。



編者按:家庭用電是我們必須認真嚴格檢查的一部分。如果電路安裝安全、完美,就可以在未來的生活中安全使用,消除家庭中的安全隱患。
(來源:電工之家。版權屬于原作者。請聯系并刪除任何侵權行為。)
更多選型規格報價定制等問題可及時聯系廠家,以上就是家用配電箱的安裝方法和配電箱的電路圖全部內容。
