主頁配電箱接線圖
主頁配電箱接線圖詳細資料由專業的低壓開關柜、低壓配電柜、低壓配電箱報價廠家為您提供。
在家居裝修中,水電工程占據裝修的關鍵點,水電安裝對未來生活有著非常重要的影響。家庭電路的鋪設更為重要。配電箱的安裝是家庭電路的主要控制開關。配電箱的安裝與家庭電路的日常控制有關。home 配電箱的安裝關系到家庭用電的安全,這就要求我們在裝修過程中要特別注意。因此,我想和大家分享一下home 配電箱的安裝知識和home 配電箱的接線圖的相關布置,以便大家可以和福田電器一起了解home 配電箱的安裝方法和home 配電箱的接線圖。
主頁配電箱安裝
1、家庭配電箱分為金屬外殼和塑料外殼兩種,有明式和暗式兩種,盒子必須完好無損。
2、家庭配電箱接線母線箱內應分別設置零線、保護接地線、相線,并要完好,絕緣良好。
3.空氣開關的安裝支架應光滑無阻礙,并有足夠的空間。

主頁配電箱安裝主頁配電箱接線圖
主頁配電箱安裝點有:
1、家庭配電箱應安裝在干燥、通風的地方,且無阻礙,使用方便。
2、族配電箱配電箱不應安裝得太高,一般安裝標高為1.8米,以便操作
3、進配電箱電管道必須用鎖緊螺母固定。
4.如果族配電箱配電箱需要打開孔,孔的邊緣必須平滑。

主頁配電箱安裝主頁配電箱接線圖
5.配電箱嵌入墻體時,應垂直水平,邊緣留有6mm的縫隙。
6.配電箱接線應整齊有序,端子螺絲必須擰緊。
7、每圈進線必須有足夠的長度,不得有接頭。

主頁配電箱安裝主頁配電箱接線圖
8.安裝后,請注明每個電路的使用名稱。
9.安裝后,住戶必須清理2+中的殘留物。
主頁配電箱安裝方法:
1.當明裝配電箱,配電箱安裝在墻上時,應使用開口螺栓(膨脹螺栓)固定。螺栓長度一般為預埋深度(75 ~ 150毫米)、箱底板厚度、螺母和墊圈厚度加上約5毫米的“頭部余量”之和。對于較小的配電箱,也可在安裝處預埋木塊(根據安裝孔在配電板四角的位置配電箱),然后用木螺釘配電箱或配電板固定在木塊上。
2、暗裝配電箱,配電箱預埋在墻內安裝,砌墻時預留孔洞的長度和寬度應比配電箱大20mm左右,預留深度為配電箱厚度加上孔洞墻面抹灰的厚度。當砌體配電箱時,可以通過在盒子和墻壁之間填充混凝土來固定盒子。
3、配電箱應安裝牢固,橫平豎直,垂直偏差不應大于3mm;暗裝時,配電箱四周不應有縫隙,面板四周邊緣應靠近墻面,箱體與建筑物、構筑物的接觸部位應涂防腐漆。
4、配電箱螺旋熔斷器安裝在內部,電源線應連接到中間觸點的端子上,負載線應連接到螺紋端子上。這樣,當熔化的堆芯被裝載和卸載時,不會發生電擊。瓷塞保險絲應垂直安裝。
5.配電箱交流、DC或不同電壓等級的電源應有明顯標志。照明配電箱時,應分別設置零線(N線)和保護零線(PE線)母線,零線和保護零線應接在母線上,不得拼接,并應編號。
6、引出面板時,面板線孔應光滑無毛刺,金屬面板應安裝絕緣保護罩。金屬外殼配電箱外殼必須可靠接地(零)。
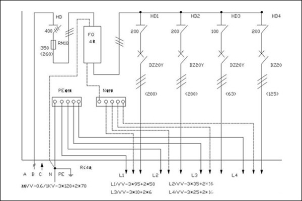
配電箱接線圖:

安裝時,Home 配電箱接線圖也很重要。小編輯專門為每個人準備了幾個非常詳細的接線圖。


結論:家庭用電是我們嚴格控制的一部分。如果電路安裝安全、完美,就可以在我們未來的生活中安全使用,消除家庭中的安全隱患。
更多選型規格報價定制等問題可及時聯系廠家,以上就是主頁配電箱接線圖全部內容。
