電工必須| 配電箱接線圖才能理解安全快速安裝的
電工必須| 配電箱接線圖才能理解安全快速安裝的詳細資料由專業的低壓開關柜、低壓配電柜、低壓配電箱報價廠家為您提供。
配電箱是指將開關設備、測量儀器、保護裝置和輔助設備組裝在一個封閉或半封閉的金屬柜內,或根據電氣接線要求安裝在屏幕上,形成一個低壓配電箱。以下是對2+接線圖以及如何安裝2+的介紹。

一、系列配電箱接線圖




第二,1級配電箱接線圖

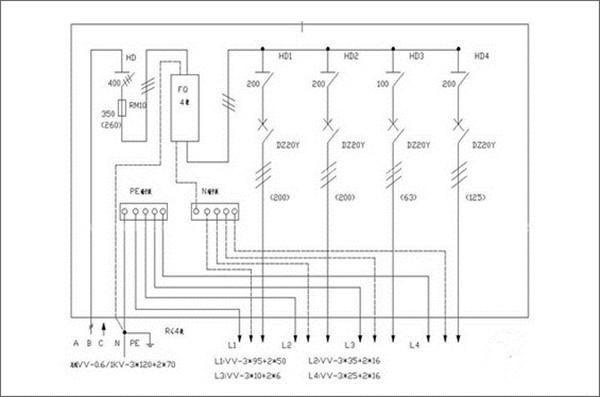
三級和二級配電箱接線圖



四.主頁配電箱安裝
1、家庭配電箱分為金屬外殼和塑料外殼兩種,有明式和暗式兩種,盒子必須完好無損。
2、家庭配電箱接線母線箱內應分別設置零線、保護接地線、相線,并要完好,絕緣良好。
3.空氣開關的安裝支架應光滑無阻礙,并有足夠的空間。
主頁配電箱安裝點有:
1、家庭配電箱應安裝在干燥、通風的地方,且無阻礙,使用方便。
2、族配電箱配電箱不應安裝得太高,一般安裝標高為1.8米,以便操作
3、進配電箱電管道必須用鎖緊螺母固定。
4.如果族配電箱配電箱需要打開孔,孔的邊緣必須平滑。
5.配電箱嵌入墻體時,應垂直水平,邊緣留有6mm的縫隙。
6.配電箱接線應整齊有序,端子螺絲必須擰緊。
7、每圈進線必須有足夠的長度,不得有接頭。
8.安裝后,請注明每個電路的使用名稱。
9.安裝后,住戶必須清理2+中的殘留物。
以上描述了配電箱的接線圖以及如何安裝配電箱的接線圖,讓我們安全快速地安裝它。
讀完之后,如果對每個人都有幫助,請轉發并收集更多,這樣更多的人可以學到這些專業知識。謝謝您們。
建筑業大量資料的小匯編。
如果你想了解建筑行業,請關注我!一體化電源和電源視頻

作者:民用云圖書館(微信KS8391)
更多選型規格報價定制等問題可及時聯系廠家,以上就是電工必須| 配電箱接線圖才能理解安全快速安裝的全部內容。
